

江蘇省無錫市遠東機電設備有限公司
地 址:江蘇省無錫市惠山區楊市鎮
電 話:0510-83551969
0510-83552716
傳 真:0510-83551499
聯系人:丁一波
電 話:13506185088
銷售熱線:13706193368
郵 編:214154
網 址:www.bdw001.com

DTT型電動推桿

|
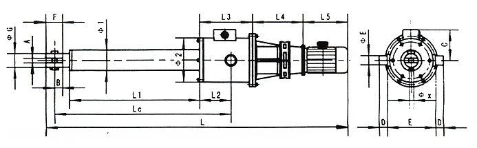
DTT型同軸線重型電動推桿是我公司成立前針對國內中,大推力檔電動拉桿產品空白,而顧客又有需求的情況下于1988年起率先自主開發并獨家生產的系列產品,是我公司多種電動推拉桿系列產品之一。該產品已在首鋼,包鋼等多家大鋼鐵企業推廣應用,也可用于其他需要大推,拉力的場合。其使用條件為環境溫度-15℃-60℃,相對濕度≤85%。 DTT型電動推拉桿由驅動電機,減速器,滑動螺旋傳動機構等主要部分組成。內部設有彈簧緩沖機構及超載保護裝置,可保證產品安全,可靠地運行。 DTT型電動推拉桿的性能參數,外形及安裝尺寸符合《Q/320211AKA01-2000電動推拉桿》企業標準的規定,其具體數據表列如下。 |
||||||||||||||||||||||||||||||||||||||||||||||||||||||||||||||||||||||||||||||||||||||||||||||||||||||||||||||||||||||||||||||||||||||||||||||||||||||||||||||||||||||||||||||||
|
||||||||||||||||||||||||||||||||||||||||||||||||||||||||||||||||||||||||||||||||||||||||||||||||||||||||||||||||||||||||||||||||||||||||||||||||||||||||||||||||||||||||||||||||